Velosi Completes Full-Scope Risk-Based Inspection Study Across Three Saudi Aramco Offshore Platforms

Scope
Velosi carried out a risk-based inspection study for the Project (BI-12-20000) using the latest available version of the API Plant Manager software in accordance with Saudi ARAMCO procedure SAEP-343. The assessment covered subsea pipelines and Risers, offshore steel structures for the platform, and all the topside equipment and piping for the three platforms.
The scope of work included:
- Submission of a timeline of the assessment from start to finish for client concurrence.
- Weekly status report to the CONTRACTOR and COMPANY.
- Data collection, gathering, reviewing, sifting, selection, formatting, and population by CONSULTANT personnel:
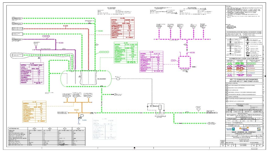
- Development of corrosion loops and descriptions in accordance with the methodology described in COMPANY standard SAEP-343 and SAEP-88.
- Corrosion loop drawings produced in the latest version and PDF format, based on the PFDs, and color-coded per loop. The drawings shall identify the damage mechanisms of each corrosion loop in accordance with API 571 and SABP-A-033. Any damage mechanisms used that are not in API 571 will be comprehensively defined within the report and concurred by COMPANY CSD Corrosion Engineering per SAEP-343, Appendix K form.
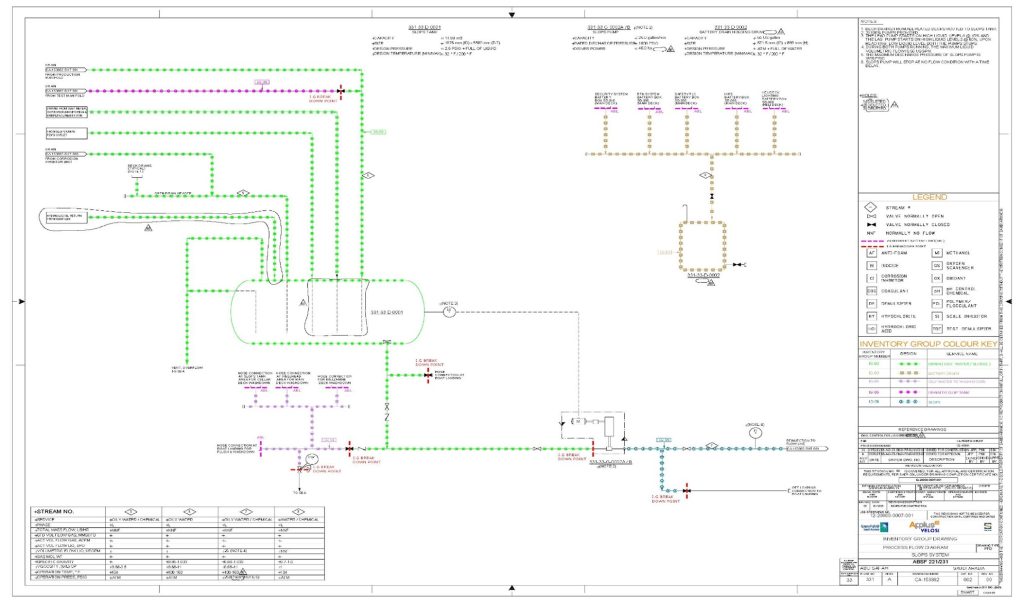
- Development of Inventory Groups from isolation locations and develop descriptions in accordance with COMPANY Standard SAEP-343 and API 581 methodology. Inventory group drawings to be in AutoCAD, the latest version, and PDF format on the PFDs, plus color-coded per group. The inventory groups shall be comprehensively defined within the report.
- Submission of Draft Corrosion Loops and Description, Inventory Groups, and populated database to the SA proponent RBI team leader for review.
- Conduct preliminary RBI analysis to ensure no software errors or incorrect data inputs.
- Refine preliminary RBI assessment with COMPANY input on assumptions, data, and final review and agreement with RBI analysis.
- RBI compilation of draft report and PowerPoint presentation by CONSULTANT personnel to be submitted to CONTRACTOR and COMPANY for review and comments.
- RBI compilation of signed final report and PowerPoint presentation by CONSULTANT personnel to be submitted to COMPANY.
Process
A comprehensive approach was set to ensure all essential components integral to the project scope were included.
Data was collected and populated into the API Plant Manager software, corrosion loops and inventory groups were developed per SAEP-343, API 581, and damage mechanisms were identified per API 571. Preliminary RBI analysis was conducted, refined with COMPANY inputs, and finalized deliverables, including reports and a database, were submitted for CONTRACTOR/COMPANY review and approval.
Corrosion Loop Drawing
Inventory Group Drawings
Risk Matrix
Outcome
Velosi’s team of expert individuals successfully conducted a Risk-Based Inspection (RBI) study for a chemical plant utilizing the APMS Mechanical Integrity (MI) module as per COMPANY requirements.
The Project completed not only met but exceeded client expectations. Despite facing numerous challenges throughout the process, our dedicated team demonstrated exceptional resilience and adaptability, ensuring that all objectives were achieved. The project was concluded by submitting high-quality deliverables that aligned with the client’s vision and requirements. This success reflects our commitment to excellence and our ability to navigate complexities while maintaining a focus on client satisfaction and asset reliability.
Deliverables
Team Velosi developed and submitted the following deliverables:
- Corrosion Loop Drawings
- Inventory Group Drawings
- Pipeline Section Layout Drawings
- Structural tag-marked drawings
- IOWs
- OSI Recommendations
- RBI Study Reports
- RBI Software Database for Equipment, Piping, and PZVs




